News
on-chip antenna design RF System-on-Chip Circuits
five-dimensional models Circuits four-dimensional
HP memristor periodic signal mathematical model Circuits
ML Circuits tree-searching MIMO system
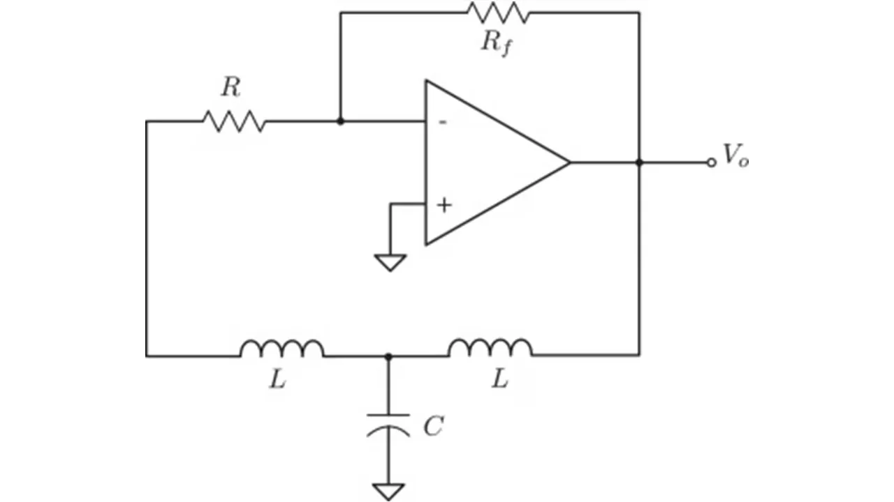
Circuits oscillating poles Time domain memristor Wien-oscillators
Circuits ring oscillator circuits
Circuits
bioinformatics sequence alignment Circuits hybrid multiprocessor technique
Circuits higher frequencies
Circuits staircase digital implementation 1D multiscroll chaos generator
Smith chart Circuits
Circuits ltcc
Mathematical modeling Circuits memristors
Ring Oscillator nonlinear analysis Circuits
framework Circuits K-Best sphere decoders
Circuits terahertz radiation
memristor Circuits
MIMO decoder Circuits first K-best multiple-input-multiple-output quadrature amplitude modulation QAM scheme
Circuits Hybrid GPU/CPU platform
Circuits digital implementation ODE-based chaotic oscillator
chaotic-based block Hardware Circuits
HDR Circuits Adaptive Delta-Sigma based architecture Focal Plane Arrays High Dynamic Range
wide-band Quadrature Phase Shift Keying remote sensing applications Circuits QPSK modulator
fully digital differential chaos Circuits Random number generator
fractional order circuit elements Circuits generalized Smith chart
gap Circuits
memristor Circuits relaxation oscillators digital gates
Circuits Non-standard finite deference scheme Neuron system Fractional differential equation Chaotic synchronization
Impedance Circuits single passive fractional element
Differential RF Circuits MEMS interwoven capacitor immune residual stress warping
Circuits RL circuits order RC
memristor mono-stable oscillator Circuits
tracking marine The iiSAT Circuits
Circuits Power Transfer
Circuits memristor-based oscillator
Circuits 2D and 3D multiscroll chaos
r S-band applications Circuits PolyMUMPS
fractals Circuits microactuators
two layers Circuits MEMS fractal capacitors
memristor Circuits oscillatory system nonlinear dynamics
Circuits MIMO Bit error rate Measurement Decoding Signal to noise ratio Throughput
Circuits Oxides Ultracapacitors Graphene Inductors Polymers nanomaterials
Circuits digital implementation Euler approximation
Circuits fully digital hardware implementation of 1-D 2D and 3D multiscroll chaos
fractional order parameter Circuits
PRNG Circuits hyperchaotic LFSR
Circuits IOPM
Circuits ooa isat
Circuits post‐processing chaos pseudorandom number generator FPGA
Circuits Reactance-less oscillator memristor Memristive circuits Relaxation oscillator
NIST Circuits chaos Field programmable gate array Random number generator Lyapunov exponent
Circuits Sneak paths memristor Memory Memory array
Circuits monitoring sensors Voltage control Impedance Antennas
Threshold voltage Circuits Charge pumps Logic gates
Circuits silicon fabric memristors neuromorphic electronics
Circuits CMOS
fractional order parameter Lü system Circuits
Synopsys HSPICE Circuits
Oscillators Circuits memristor‐based reactance‐less
cdc Circuits CMOS
three-dimensional gyroidal metamaterials nonlinear optical response Circuits
Circuits PolyMUMPS nanoseparations
hcs lns Circuits
chaos generator Circuits colour image encryption
Circuits memristor crossbar array
Circuits MOFs
Circuits Spiking Neurons Stochasticity memristors
Circuits cognitive radio secondary users SUs multiple spectrum bands
Circuits TFT digital circuits
memristor Circuits Memories
Circuits wave scattering
memristor Circuits neuronal stochasticity
Circuits cgc
pcr Circuits uv
Circuits μ-fluidics microfluidic devices
Circuits memristors
Circuits MOM capacitors
fF poly-insulator-poly PIP Circuits
Circuits RF CMOS
memristor Circuits high-density
Circuits Stochasticity memristors
Circuits Zinc Oxide
Biosensors digital microfluidic Circuits
Fourier transform infrared spectroscopy Circuits X‐ray diffraction techniques
Circuits Integrated Microelectronics
Circuits FOPID pid
otas Circuits CMOS
Circuits Surface-plasmon polaritons excitation of metals highfrequency electromagnetic waves
sputtered anhydrous RuO2 thinfilm electrodes prototypes Circuits μSCs
Circuits inverter-based amplifiers
Circuits wireless powering
Circuits Ta2O5
sinusoidal oscillations Circuits fractional order
focs Circuits
Circuits TCDCs
Circuits fractional-order resonator
Computational Intelligence Circuits Memristive Systems Neurochips
MoS2 Circuits foc
Fitzhugh Nagumo Circuits quartic Biosensors Izhikevich Hindmarsh Rose
CMOS Circuits foc FOL
Quartz Crystal Circuits Metal–Organic Framework-Based Acetone Sensors
Fully printed 3D Circuits RF energy harvesting rectenna
Circuits Izhikevich spiking neuron model
Circuits tsmc CMOS
osilation Circuits foc
analogue integrated circuits CMOS integrated circuits Circuits
Circuits Transistors Stochastic processes Approximate computing Computational modeling
Circuits FPGA smo
Circuits Maxwell-Cattaneo Heat Waves Scattering Cancellation-based Cloaking
Genetic Algorithm Circuits
IoT security Module Circuits Algorithm Hopping FPGA
Circuits Flexible and wearable magnetoelectronics
FFT Circuits
Circuits Neural Seizure Detection Artificial Neural Network Biosensors Support Vector Machine
Noise shaping capacitive sensors Circuits
acoustic transmitter Circuits tracking applications Acoustic telemetry
plasmonic structure Circuits spectrometer-free refractive index sensor
flexural waves linearized water waves sixth order partial differential equation Circuits thin elastic plates scattering
Circuits SLIPT IoT optical connectivity IoUT devices
rectifier nested radio frequency Circuits wireless powering
thin film transistor TFT Single Binary Oxide Circuits
Comsol Multiphysics Circuits IDEs ICDS
Circuits truncated accumulation neuron skipping computation skipping FPGA
filters communications Circuits wave propagation cavities Substrate Integrated Waveguide
OFETs Flexible electronic devices Circuits oscs
stencil codes; Laplace; Jacobi iteration; memristor; in-memory computing; Circuits
Biosensors Circuits
multi-source energy harvester Circuits RF energy harvesting ambient energy sources
Circuits Light emitting diodes Temperature sensors Gas detectors Inverters Gas Sensors
Circuits nondestructive testing leakage detection Terahertz signals THz sensing non-metallic pipes
Filtering theory GSM Circuits fractals Glass resonant frequency Frequency selective surfaces
comparators Circuits CMOS logic circuits microcontroller low-power electronics
pruning Circuits unsupervised learning spiking neural networks Pattern Recognition neuromorphic computing STDP